H41W/H不銹鋼升降式止回閥
產品概況
產品型號:H41W/H
公稱通徑:DN50~400mm
壓力范圍:PN10~160MPa
工作溫度:-196℃~+560℃
主體材質:碳鋼、不銹鋼、合金鋼
設計制造:GB12236
結構長度:GB12221
連接法蘭:JB/T79-1994
試驗與檢驗:JB/T9092-1999
H41W/H不銹鋼升降式止回閥產品概述
百鋼閥門集團生產銷售的H41W/H不銹鋼升降式止回閥適用于中、小口徑管路的各種壓力、溫度和介質下控制接通或截斷管路介質的啟閉裝置;依靠閥瓣自重和流體壓差實現自動阻止流體倒流。
H41W/H不銹鋼升降式止回閥產品特點
1、當介質由閥體箭頭所示流向進入閥體,介質的壓力作用在閥瓣上產生向上的推力,當介質推力大于閥瓣重力時,閥門打開。當閥后介質壓力作用在閥瓣上的力加上閥瓣自身重力大于閥前壓力作用在閥瓣上的力時,閥門關閉,阻止介質倒流。
2、升降式止回閥具有結構簡單,動作可靠,維修方便等優點,廣泛應用于凈化設備、石油、化工、冶金、電力、輕紡等生產過程中。
H41W/H不銹鋼升降式止回閥性能規范
| 閥體材料 |
公稱壓力 (MPa) |
工作溫度 (℃) |
適用介質 | |
| 碳 鋼 | 1.6-6.4 | ≤425 | 水、油品、蒸汽 | |
| 10.0、16.0 | ≤450 | / | ||
| 不銹鋼 | P | 1.6-16.0 | ≤200 | 硝酸類 |
| R | / | / | 醋酸類 | |
|
鉻鎳鈦 耐熱鋼 |
PI | 1.6-6.4 | ≤550 | 石油、石油產品 |
| 鉻鉬鋼 | 1.6-16.0 | ≤550 | 油 | |
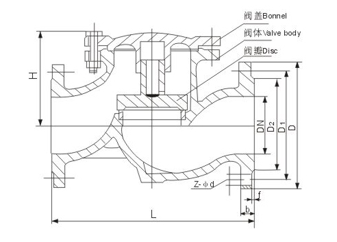
H41W/H不銹鋼升降式止回閥主要外形尺寸

|
公稱壓力 PN |
公稱通徑 DN |
主要連接尺寸 |
外形 尺寸 |
||||||||
| L | D | D 1 | D 2 | D 6 | b | f | f 1 | Z-φd | H | ||
| 1.6MPa | 40 | 200 | 145 | 110 | 85 | - | 16 | 2 | - | 4-18 | 95 |
| 50 | 230 | 160 | 125 | 100 | - | 16 | 2 | - | 4-18 | 105 | |
| 65 | 290 | 180 | 140 | 120 | - | 18 | 2 | - | 4-18 | 120 | |
| 80 | 310 | 195 | 165 | 135 | - | 20 | 3 | - | 8-18 | 130 | |
| 100 | 350 | 215 | 180 | 155 | - | 20 | 3 | - | 8-18 | 140 | |
| 125 | 400 | 245 | 210 | 185 | - | 22 | 3 | - | 8-12 | 155 | |
| 150 | 480 | 280 | 240 | 210 | - | 24 | 3 | - | 8-23 | 180 | |
| 200 | 600 | 335 | 295 | 265 | - | 26 | 3 | - | 12-23 | 215 | |
溫馨提示:
本文中所有文字、數據、圖片均只適用于參考。需要查看更多的H41W/H不銹鋼升降式止回閥性能參數、結構尺寸參數、價格等詳情,或要求高質量印刷樣本,請聯系我們。